一、概 述
MZG系列脈動真空干燥機廣泛應用于制藥行業、生物工程等領域的,是一種符合GMP 的真空箱式干燥裝置,其主要針對于熱敏性物料、粘性大物料、和需要回收溶劑物料的干燥,尤其對物料含糖量高、易溢出、易起泡中藥浸膏類的物料干燥能力和效果非常好。該設備采用“脈沖”層流真空干燥原理,是一種高效的低溫干燥方式,其可以采用蒸汽、熱水、電為熱源,亦可以配備飽和、流通蒸汽滅菌、臭氧消毒功能、在線清洗或浸泡清洗功能。
二、性能特點
1、德國西門子工控系統性能優越,并配備標準工業通訊接口,可提供設備與中央監控系統的通訊軟件技術支持,可以在后臺自動生成監控畫面。
2、設備關鍵部件均采用行業中的原裝進口件,并且多數配件在我國具有50%左右的市場占有率。
3、設備具有標準GMP驗證接口,公司具有16路標準計算機驗證儀,可隨時為用戶提供GMP驗證服務。
4、柜體上下左右內板外均并列滿焊由槽鋼制作成的加熱夾套,槽鋼和內板滿焊好后反復作打壓檢漏處理,確保無任何泄露。加熱速率比普通真空烘箱提升200%。
5、柜體內四方角為圓弧過渡,加熱時使柜體內溫度流暢,均勻、改變了原方型真空烘箱頂部一層裝有物料的烘盤不易烘干的缺陷,同時,便于物料在烘干的過程中產生的水汽珠順兩側面流入柜體底部,經排污口排出柜外。
6、干燥柜在加熱時抽真空時,柜內上下層的溫度由于抽真空的作用會產生變化,在柜內左側、柜內右側和柜頂均制作有抽真空接口和主抽真空管聯接到一起,通過用不銹鋼球閥控制每處真空度大小來調整柜內的溫差。
7、柜內散熱器(又稱烘架)為平板式,比普通管式散熱器加大散熱面積150%,散熱器底部裝置4只不銹鋼小輪,能在軌道上推進推出方便自如,烘架蒸汽進口和出口與箱體聯接處均裝置快裝卡箍,便于拆裝、拉出清洗。
8、柜內烘架上每層散熱器加熱流體走向均勻,徹底改變原方型真空干燥箱內上下溫度相差需倒盤的現象。
9、物料在加熱抽真空時會出現發泡的現象,起泡后形成一個密閉的空間,物料內的水份蒸發減慢從而延長干燥時間。在烘盤的上方制作壓縮空氣破泡式裝置,物料起泡后迅速破泡,使物料內的水份通過真空泵進行抽汽抽濕快速干燥,提高干燥效率。
10、柜體內底部為半橢圓形制作,使物料在過程中產出的水汽珠流向箱內底中部,經底部排污口排出箱外,提高干燥效率。
11、在柜身裝置1只呼吸器,確保進入柜內的空氣是經過過濾后的潔凈空氣。進入柜內的空氣經過加熱處理后不會冷熱空氣交換產生水珠。
12、物料內的水份在抽真空的作用下才能排出箱外,達到干燥效果,為了使物料少溢出,還要使水環式真空泵連續工作,裝置真空泵用的變頻調速器,真空泵運轉的速率可以變頻調節。
13、為節約用水配置真空泵循環水用的循環水箱1臺,水箱具有自動給水的功能補充循環用水。真空泵長期工作時,循環水箱內的水溫會很高,影響真空度和真空泵使用壽命,在循環水箱底部排污口管口前端配置電磁閥和水箱內裝置溫度探頭,設定溫度時間比例自動換排水,既保證水箱內的水量充足,還可降低水溫。
14、柜體左右配置視鏡共2個,視鏡上裝置觀察照明燈,便于觀察柜內物料被干燥時的情況。
15、配置2只不銹鋼拉鉤,門打開后,便于箱內*里層烘盤拿出方便,易操作。
16、配置1臺不銹鋼牽引小推車,便于散熱器進出,清洗方便,省時、省力,降低了勞動強度,提高安全系數(牽引小推車輪為2定向、2萬向,萬向輪帶剎車)。
17、本柜可在浸膏裝盤厚度20mm,6小時即達到干燥,極大的縮短了工作周期降低了設備能耗。
三、主體結構
1、柜體:設備為臥式矩形內外雙層結構,有利于工作過程的預熱和連續操作。設備內膽為優質耐酸不銹鋼板304焊接制成,采用優質不銹鋼藥芯焊絲,并運用了CO2氣體保護、過程冷卻等一系列先進焊接工藝。
2、密封門:電機升降,旋轉開門,具有安全聯鎖、雙門互鎖功能。
①安全聯鎖:設備運行或壓力不歸0不能開門。
②雙門互鎖:根據GMP要求設有雙門互鎖功能,確保不同區域的隔離和物流的方向。
3、裝飾外罩:全不銹鋼拉絲板制作,美觀大方且便于清洗。
四、控制系統
設備控制系統主要由主控制器PLC、微機觸摸屏、滅菌記錄裝置及其它控制元件組成。
1、PLC:德國西門子公司FX系列PLC具有**的控制功能,而且可靠性非常高,平均無故障時間達5萬小時。
2、觸摸屏:設備工況及各種參數實時動態畫面顯示,可提供標準工業通訊接口并提供軟件技術支持,滿足用戶遠程監控要求。
3、資料記錄:溫度、壓力報表或存儲,供存檔備查。
4、設備驗證:設備附有標準GMP驗證接口,可隨時進行設備驗證。
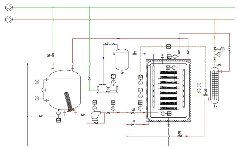
五、管路系統
設備管路系統由控制閥門、真空泵、過濾器、安全閥、疏水閥等專用閥件構成。關鍵部件為控制閥門和真空系統。
控制閥門:美國ASCO角座式氣動閥,400萬次無故障運行。
真空泵:水環式真空泵,噪音低、真空度高。
六、物品搬運
該設備干燥物品由操作人員直接從腔體存取到搬運車上進行運送。
七、設備參數
1、加熱源:熱水/蒸汽
2、設計溫度: 95℃/134℃以下
3、熱均勻度:≤±3℃
4、極限真空度:-0.095 MPa
八、技術參數
注:部分參數設計時視不同物料有所調整,以設計為準。相關參數若有調整,將不另行提前告知。
- 2025-02-24 > 星光不負趕路人,熱烈祝賀本公司再度榮膺“高新技術企業”稱號!
- 2022-04-20 > 熱烈祝賀我司榮獲“高新技術企業”稱號!
- 2023-02-22 > 熱烈祝賀本公司榮獲2022年度“提質增效獎”
- 2025-11-17 > 春來機械-高速離心噴霧干燥機霧化器的維護要點有哪些?
- 2025-11-17 > 春來機械-高速離心噴霧干燥機的霧化器有哪些類型?
- 2025-11-17 > 春來機械-高速離心噴霧干燥機烘干黏糊狀物料的原理
- 2025-10-16 > 春來機械-從 50 億到 200 億!熱風循環烘箱 60 年迭代史:智能化 + 綠色化如何重塑行業?
- 2025-10-16 > 春來機械-熱風循環烘箱的主要核心特點
- 2025-10-09 > 春來機械-沸騰制粒機的優點有哪些
- 2025-10-09 > 春來機械-膠囊填充顆粒生產線使用沸騰制粒機的沸騰制粒機的工作原理是什么?






